Okwu mmalite
Hydraulic 90 Degree Adapter bụ akụkụ na-enyere ahịrị hydraulic aka ịtụgharị na akụkụ ogo 90. O nwere akara siri ike iji kwụsị ntapu. Ejiri ihe siri ike mee, ọ nwere ike ijikwa nrụgide dị elu. Ọ na-arụ ọrụ n'ụlọ mmepụta ihe, n'ugbo na ụgbọ ala. Ọ dabara n'ọtụtụ ahịrị, na-eme ka mmiri na-aga nke ọma, ọ dị mfe itinye na ọ chọrọ obere ndozi. Ọ dị mma maka iji ogologo oge, na-eme ka ọ bụrụ nhọrọ mara mma maka ebe ahịrị kwesịrị ịtụgharị nke ọma.



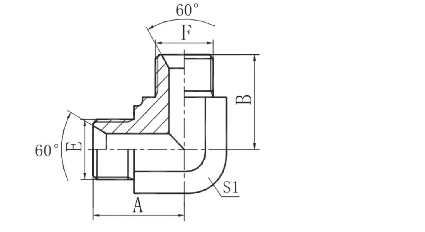
Nkọwapụta

|
Akụkụ NO. |
Eriri |
Akụkụ |
|||
|
E |
F |
A |
B |
S1 |
|
|
1B9-02 |
G1/8*X28 |
G1/8"*X28 |
19.8 |
19.8 |
11 |
|
1B9-02-04 |
G1/8*X28 |
G1/4"*X19 |
23 |
25 |
14 |
|
1B9-04 |
G1/4*X19 |
G1/4"*X19 |
24.5 |
24.5 |
14 |
|
1B9-04-06 |
G1/4*X19 |
G3/8"*X19 |
26.5 |
27.5 |
16 |
|
1B9-06 |
G3/8*X19 |
G3/8"*X19 |
27.5 |
27.5 |
16 |
|
1B9-08 |
G1/2*X14 |
G1/2"*X14 |
34.5 |
34.5 |
22 |
|
1B9-08-12 |
G1/2*X14 |
G3/4"*X14 |
37.5 |
40 |
27 |
|
1B9-10 |
G5/6*X14 |
G5/8"*X14 |
35 |
35 |
22 |
|
1B9-10-12 |
G5/8*X14 |
G3/4"*X14 |
37.5 |
39 |
30 |
|
1B9-12 |
G3/4*X14 |
G3/4"*X14 |
40 |
40 |
27 |
|
1B9-12-16 |
G3/4*X14 |
G1"*X11 |
43.5 |
46 |
33 |
|
1B9-16 |
G1"*X11 |
G1"*X11 |
46 |
46 |
33 |
|
1B9-16-20 |
G1"*X11 |
G1,1/4"*X11 |
50.5 |
50.5 |
41 |
|
1B9-20 |
G1,1/4"*X11 |
G1,1/4"*X11 |
50.5 |
50.5 |
41 |
|
1B9-20-24 |
G1,1/4"*X11 |
G1,1/2"*X11 |
54.5 |
57.5 |
48 |
|
1B9-24 |
G1,1/2"*X11 |
G1,1/2"*X11 |
57.5 |
57.5 |
48 |
|
1B9-32 |
G2"*X11 |
G2"*X11 |
68 |
68 |
63 |
Parameter/Data nka nka
|
Nke mbụ |
ZheJiang, China |
Ụbọchị nnyefe |
Enwere ike ịkparịta ụka |
|
Asambodo |
GB/T19001-2016 idt ISO9001:2015 |
Nkwakọ ngwaahịa |
ọkọlọtọ mbupụ |
|
Ihe onwunwe |
Carbon ígwè |
Akwụkwọ ikike |
1 afọ |
|
Oge ịkwụ ụgwọ |
TT |
MOQ |
2000 |
|
Ọnọdụ |
Ọhụrụ |
Agba |
Zinc ọcha, zinc agba |
Banyere Ụlọ ọrụ












Uru
Ogo kacha elu
Ndị otu anyị nwere nkà na-eme ka ụkpụrụ dị elu. Anyị na-agbaso njikwa mma siri ike ma jide asambodo ọkachamara.
Ahụmahụ afọ 10+
Kemgbe 2011, anyị enyela ndị ahịa ozi na mba 40+, gụnyere USA, Germany, Australia, na ndị ọzọ.Tụkwasara ntụkwasị obi maka ngwaahịa ndị a pụrụ ịdabere na ya na ezigbo ọrụ.
Ogologo ngwaahịa sara mbara
4 isi ngwaahịa ahịrị (hydraulic fittings, ferrules, adapters, and nylon tube fittings) .N'elu 100+ iche iche iji gboo mkpa dị iche iche.
Ọnụ ahịa dị ọnụ ala
Anyị na-enye ọnụahịa asọmpi na-enweghị ịchụ àjà àgwà.Trusted site na ndị ahịa n'ụwa nile maka azụmahịa n'eziokwu na ọganihu na-aga n'ihu karịa afọ 10.
Onye ahịa{0}}Ọrụ izizi
Afọ ojuju gị bụ ihe kacha anyị mkpa. Nzaghachi ngwa ngwa na ngwọta maka okwu ọ bụla.
Ebe dị mma
Na nso Hangzhou, nwere mbupu na ngwa ngwa maka mbupu ngwa ngwa.

FAQ
Ajụjụ: Gịnị kpatara ịkpọrọ anyị?
A: Anyị na-arụ ọrụ na hydraulics maka afọ 10. Ngwaahịa anyị dị mma, jiri akwụkwọ ikike ọnwa 18- bịa, anyị na-ebuga ngwa ngwa. Anyị na-enyekwara aka ịchekwa ọnụ ahịa, yana ọrụ ọrịre anyị na-eso - enweghị nchekasị.
Ajụjụ: Anyị bụ ụlọ ọrụ mmepụta ihe ma ọ bụ ụlọ ọrụ azụmaahịa?
A: Anyị bụ ụlọ ọrụ mmepụta ihe mbụ na-eme akwa akwa hydraulic. Anyị lekwasịrị anya n'ichepụta na imeziwanye ha maka afọ 10.
Ajụjụ: Ogologo oge ole ka ịnyefe?
A: Ọ bụrụ na anyị nwere ngwaahịa na ngwaahịa, ọ na-ewekarị 7-15 ụbọchị. Ọ bụrụ na ọ bụghị, ụbọchị 30-45 - nke a dabere na ole ị nyere iwu.
Ajụjụ: Kedu ka esi akwụ ụgwọ?
A: Kwụọ 30% mgbe ị kwadoro usoro ahụ. Kwụọ 70% nke fọdụrụ ka anyị zigachara gị otu akwụkwọ ụgwọ mbufe.
Q: Anyị nwere ike nweta samples? Ha nwere onwe ha?
A: Maka ngwaahịa anyị ugbu a, anyị nwere ike inye 2 n'efu sample maka ule. Mana ịkwesịrị ịkwụ ụgwọ maka mbupu. Maka ngwaahịa omenala, gwa anyị ka anyị rụpụta atụmatụ nlele.
Ajụjụ: Gịnị ma ọ bụrụ na enwere nsogbu ịdị mma mgbe ị na-eji?
A: Anyị na-ekwe nkwa ịdị mma maka ọnwa 12 (site na ụbọchị nnyefe). A na-ekpuchi nsogbu niile na-abụghị nke ndị mmadụ kpatara.
Ajụjụ: Gịnị bụ obere iwu anyị nwere ike idowe?
A: Maka ngwaahịa dị na ngwaahịa, ị nwere ike ịzụta naanị 1. Maka ngwaahịa ngwaahịa{{2}, anyị ga-akwado usoro kacha nta dabere na nkọwa ngwaahịa.
Ajụjụ: Ị nwere ike ịmepụta ngwaahịa site na eserese?
A: Ee, anyị nwere ike. Mana anyị chọrọ nkọwa teknụzụ doro anya na ụkpụrụ nnabata.
Ajụjụ: Gịnị bụ ọrụ ịre ahịa-?
A: Anyị na-eso logistics n'ụzọ niile. Anyị na-emelite gị ebe ngwa ahịa dị, wee lelee ma ị nwere obi ụtọ mgbe ị nwetachara ha.
Ajụjụ: Kedu ka esi elele ogo ngwaahịa?
A: Anyị nwere ngwá ọrụ nyocha ndị ọkachamara: ndị na-agbapụta nnu nnu, igwe nkwụsịtụ, ndị na-achọpụta ihe siri ike, wdg. Anyị na-eji ha eme ka ngwaahịa dị mma.
Ajụjụ: Ị na-enye ọrụ OEM?
A: Ee, anyị na-eme. Kpọtụrụ anyị maka nkọwa ndị ọzọ.
Ajụjụ: Kedu ụdị nkwakọ ngwaahịa ị na-eji?
A: Ugbu a, anyị na-eji katọn. Mana gwa anyị mkpa gị, anyị ga-agbalị imezu ha.
Ajụjụ: Olee mgbe m ga-enweta ọnụ ahịa?
A: Anyị na-ezigakarị see okwu n'ime awa 8 mgbe anyị nwetara ajụjụ gị gbasara ọnụahịa.
Ihe nchịkọta dị ọkụ: hydraulic 90 degrees nkwụnye, China hydraulic 90 ogo nkwụnye ihe nkwụnye, ụlọ ọrụ
